Our Products

FS9636

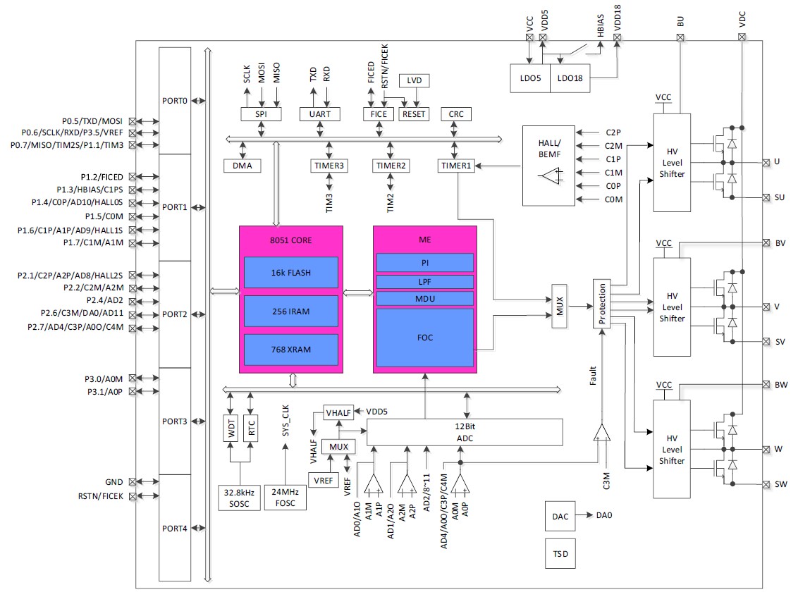
Fully integrated 3-ph. Motor Control 8051 MCU+ME, 600V/3A, sensorless FOC

FS9636 is a fully-integrated IPM with motor controller, driver and power IC. Its high-performance motor drive chip incorporates MotionEngine core and 8051 core. ME core integrates FOC, MDU, LPF, PI and SVPWM modules that allow for automatic calculation of FOC or square-wave control by the hardware for sensored/sensorless BLDC/PMSM motors.

8051 core is used for parameter configuration and routine processing. Most of 8051 core instruction cycle takes 1T or 2T clock cycle(s). The dual cores work in parallel to achieve high-performance motor control. The chip integrates high-speed operational amplifiers, comparators, high-speed ADC, CRC, UART, Timers, PWM module and built-in high-voltage LDO, which are suitable for FOC or square-wave based BLDC/PMSM motors.

Technical Data

P/N: FS9636 AS
Package SSOP A54-38
(22 x 11.4mm)
Motion Engine ME x
FOC Hardware x
SVPWM Hardware x
BLDC Hardware x
Single Phase
PI/PID 4
LPF 4
MDU 4
Sin/Cos/Atan 4
PFC Hardware
MCU core 8051
MIPS [MHz] 24
Flash [kB] 16
RAM [kB] 1
GPIO 16
I²C
UART 1
SPI 1
CAN
LIN
DMA 2
Timer 6
WDT 1
Supply Voltage [V] 6,5 … 20
PreDriver
Driver Voltage, max. [V] 600
Drive Current, max.  [A] 3
Sensor/Sensorless Square Wave x
Sensor SVPWM x
Sensor FOC x
Sensorless FOC x
ADC 1
ADC channels 9
ADC resolution [bit] 12
DAC 1
DAC resolution [bit] 9
OP 3
Comparators 2
Temp. Range (12-20V) -40…85°C

 

Downloads

FS9636AS datasheet (PDF)

Related Articles

Product Inquiry

Please contact us. We will get back to you as soon as possible.
Product Inquiry

Product
FS9636

I have taken note of the privacy policy. Note: You can revoke your consent at any time for the future by sending an email to info@mev-elektronik.com.

Your Contact Person

Guido Gandolfo

Product Marketing Engineer

+49(0)5424 2340-57

write email
Contact us!
Please enter one ore more search terms.
crossmenu linkedin facebook pinterest youtube rss twitter instagram facebook-blank rss-blank linkedin-blank pinterest youtube twitter instagram