Our Products

FT8132

3-ph. Motor Control ASIC (ME), 3P3N Gate-Driver 28V, sensorless FOC

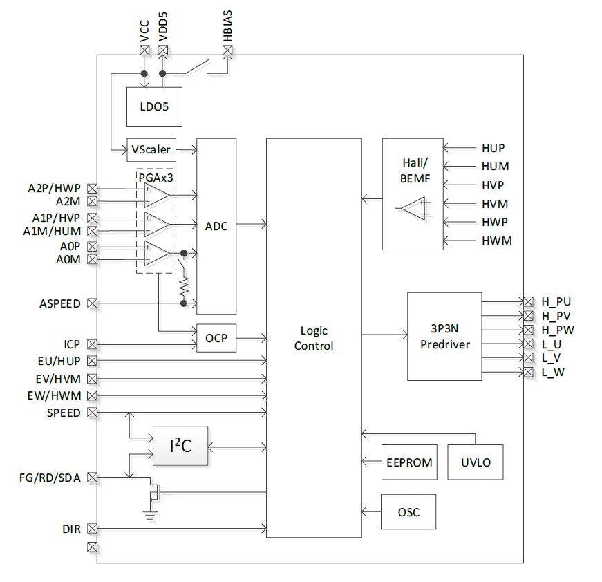
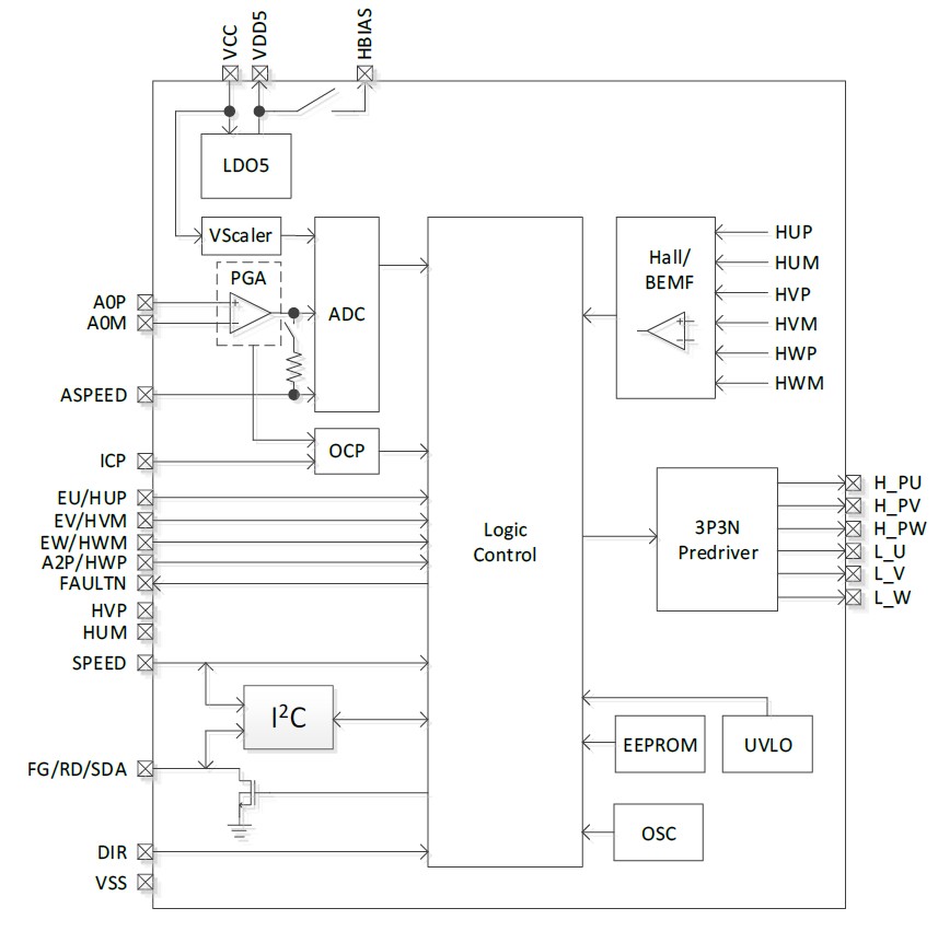
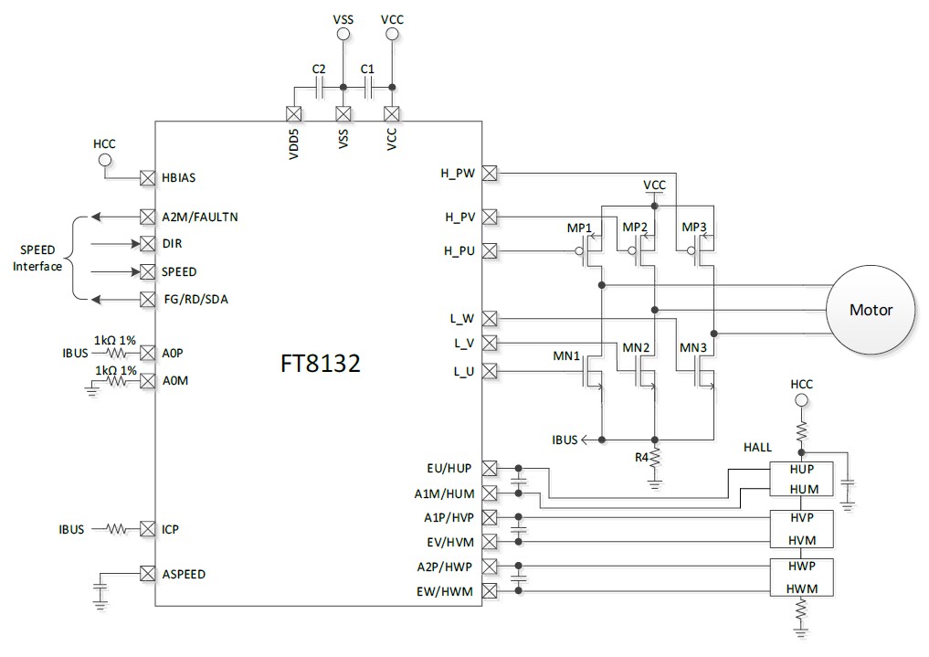
FT8132 is an IC with built-in pre-driver designed for three-phase BLDC motor drive applications. Due to a high level of integration, the chip has few peripheral components and features with low noise and small torque ripple. Motor parameters, startup control parameters and speed regulation mode can be configured via GUI, and are stored in built-in EEPROM. Analog voltage input, PWM, I2C interface or CLOCK mode is available for motor speed regulation. Moreover, the chip integrates speed indicator to read motor speed in real time via FG pin or I2C interface. Constant speed control mode, constant current control mode, constant power control mode or voltage-loop control mode is optional. In addition, the chip is secured with various protection features, including over-current protection (OCP), under-voltage lockout (UVLO), over-voltage lockout
(OVLO), motor lock protection (MLP), phase loss protection, abnormal Hall input detection (HALLERR) protection, etc. Sleep current of the chip is about 60μA.

Technical Data

P/N: FT8132 Q / FT8133 Q FT8132 S
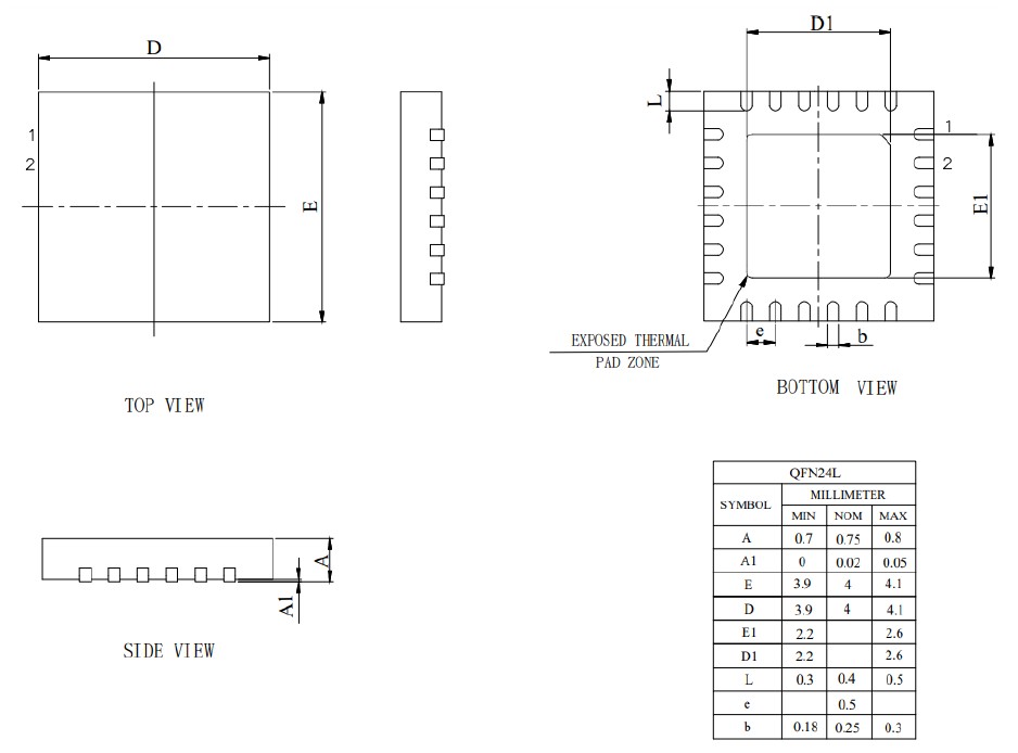
Package QFN24 (4 x 4 mm) SSOP24 (6,5 x 6,4 mm)
Motion Engine ME x x
Square Wave
Sensorless Sine
Sensor Sine
Sensorless FOC x x
Analog Speed Regulation x x
PWM Speed Regulation x x
I²C Speed Regulation x x
Closed Loop Speed Regulation x x
Forward and Reverse x x
Initial Position Detection x x
Braking
Precharge
Prelocating x x
Angular Advance x x
FG Output x x
RD Output x x
Selectable Drive Mode x x
Adjustable Dead Time x x
Adjustable Srart-up Time x x
Current Limit x x
Over Current Protection x x
Locked-Rotor Protection x x
Over Temperature Protection
Temperature Limiting Protection
Speed Limit x x
Undervoltage Protection x x
Overvoltage Protection x x
Open Phase Protection x x
Protection of Hall Fault
Build-in MOSFETS
6N Predriver
3P3N Predriver x x
Temp. Range -40…85°C -40…85°C

Compared with the FT8132, the FT8133 has enhanced sensor-based windmilling function and adds a restart-on-failure function.
The FT8133 is mainly targeted for cooling fan applications.

Downloads

FT8132 datasheet (PDF)
FT8133Q datasheet (PDF)

Related Articles

Similar Articles

  • FT8215

    Fully integrated 3-ph. Motor Control ASIC (ME), 12V/2A, sensorless FOC

    FT8215

    Read more
  • FU6881

    Fully integrated 3-ph. Motor Control 8051 MCU+ME, 20V/1A, sensorless FOC

    FU6881

    Read more

Product Inquiry

Please contact us. We will get back to you as soon as possible.
Product Inquiry

Product
FT8132

I have taken note of the privacy policy. Note: You can revoke your consent at any time for the future by sending an email to info@mev-elektronik.com.

Your Contact Person

Guido Gandolfo

Product Marketing Engineer

+49(0)5424 2340-57

write email
Contact us!
Please enter one ore more search terms.
crossmenu linkedin facebook pinterest youtube rss twitter instagram facebook-blank rss-blank linkedin-blank pinterest youtube twitter instagram