Our Products

FU6866

3-ph. Motor Control 8051 MCU+ME with 6N Gate-Driver 180V, sensorless FOC, HFI

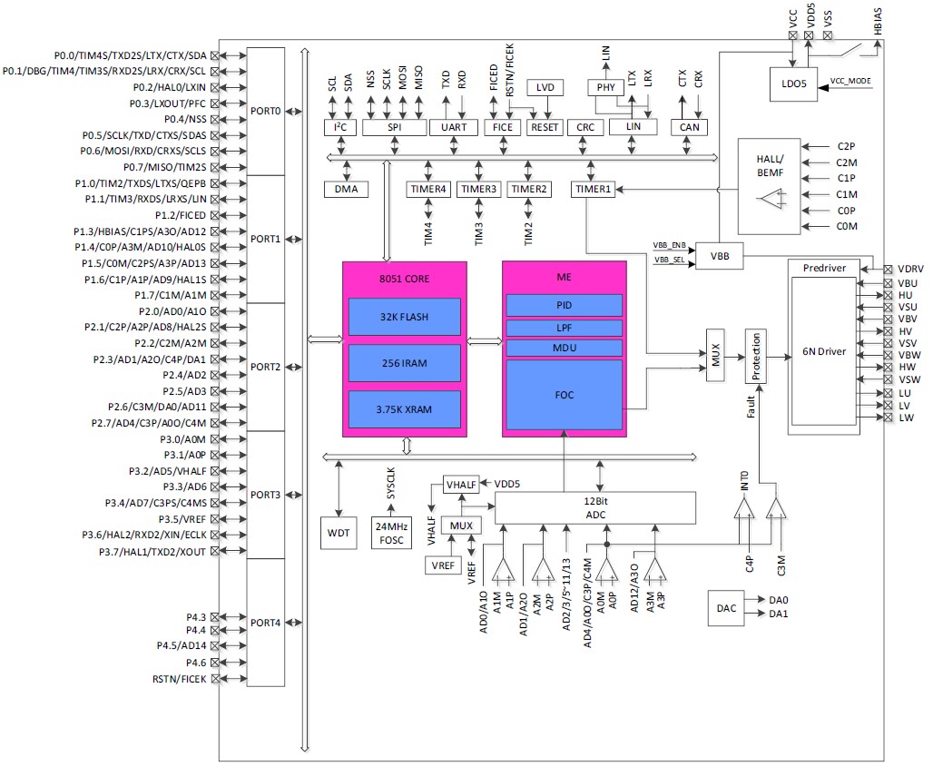
The high-performance motor drive chip FU6866 incorporates ME (Motor Engine) core and 8051 core. ME core integrates FOC, MDU, LPF, PID and SVPWM modules that allow for automatic calculation of FOC or  quare- ave control by the hardware for sensored/sensorless BLDC/PMSM motors. 8051 core is used for parameter configuration and routine processing. Most of 8051 core instruction cycles takes 1T or 2T  clock cycle(s).

The dual cores work in parallel to achieve high-performance motor control. The FU6866 integrates high-speed operational amplifiers, comparators, high-speed ADC, CRC, SPI, I2C,  ART, LIN, CAN, Timers and built-in LDO, which are suitable for FOC or  square-wave based BLDC/PMSM motors.

Build-in 180V gate driver for 6 N-Channel MOSFETs.

Technical Data

P/N: FU6866 Q FU6866 Q1
Package QFN56 7×7 QFN56 7×7
Motion Engine ME x x
FOC Hardware x x
SVPWM Hardware x x
BLDC Hardware x x
Single Phase
PI/PID 4 4
LPF 4 4
MDU 4 4
Sin/Cos/Atan 4 4
PFC Hardware
MCU core 8051 8051
MIPS [MHz] 24 24
Flash [kB] 32 32
RAM [kB] 4 4
GPIO 36 36
I²C 1 1
UART 2 2
SPI 1 1
CAN 1 1
LIN 1 1
DMA 2 2
Timer 6 6
WDT 1 1
PreDriver 6N 6N
Driver Voltage, max. [V] 180 180
Drive Current, max. + [A] 0,9 0,9
Drive Current, max. – [A] 1,1 1,1
Sensor/Sensorless Square Wave x x
Sensor SVPWM x x
Sensor FOC x x
Sensorless FOC x x
ADC 1 1
ADC channels 16 16
ADC resolution [bit] 12 12
DAC 2 2
DAC resolution [bit] 9/6 9/6
OP 4 4
Comparator 3 3
Temp. Range (6,5-28V) -40…85°C
Temp. Range (6,5-18V) -40…125°C
AEC-Q100 Grade 1

 

Downloads

FU6866 Q datasheet (PDF)

FU6866 Q1 datasheet (PDF)

Related Articles

Similar Articles

  • FU6864

    3-ph. Motor Control 8051 MCU+ME with 6N Gate-Driver 600V, sensorless FOC

    FU6864

    Read more
  • FU6862

    3-ph. Motor Control 8051 MCU+ME with 6N Gate-Driver 600V, sensorless FOC

    FU6862

    Read more
  • FU6861

    3-ph. Motor Control 8051 MCU+ME with 6N Gate-Driver 180V, sensorless FOC

    FU6861

    Read more

Product Inquiry

Please contact us. We will get back to you as soon as possible.
Product Inquiry

Product
FU6866

I have taken note of the privacy policy. Note: You can revoke your consent at any time for the future by sending an email to info@mev-elektronik.com.

Your Contact Person

Guido Gandolfo

Product Marketing Engineer

+49(0)5424 2340-57

write email
Contact us!
Please enter one ore more search terms.
crossmenu linkedin facebook pinterest youtube rss twitter instagram facebook-blank rss-blank linkedin-blank pinterest youtube twitter instagram