Our Products

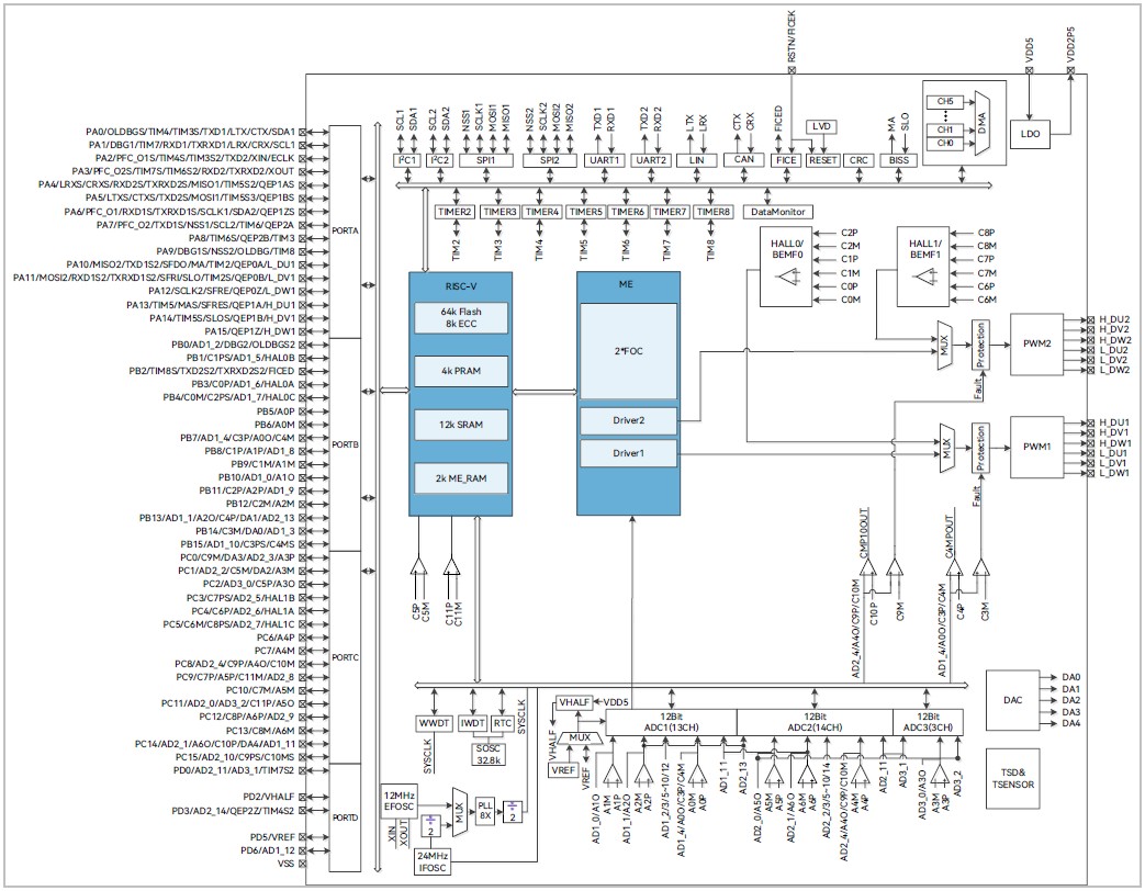
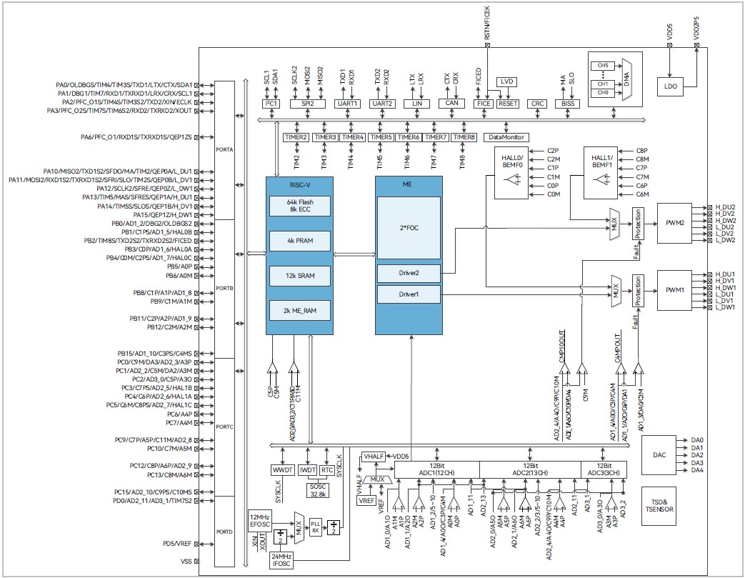
FU7512

3-ph. Motor Control RISC-V MCU+ME, sensorless FOC

The high-performance motor drive chip incorporates ME core and RISC-V core. ME core integrates FOC module and CORDIC module that allow for automatic calculation of FOC or square-wave control by the hardware for sensored/sensorless BLDC/PMSM motors. RISC-V core is used for parameter configuration and routine processing. The dual cores work in parallel to achieve high-performance motor control. Interleaved two-phase boost PFC. The chip integrates high-speed operational amplifiers, comparators, high-speed ADC, CRC, SPI, I2C, UART, LIN, CANFD, DataMonitor, Timers, built-in LDO, which are suitable for FOC or square-wave based BLDC/PMSM motors.

Technical Data

FU75xx Family for low and mid voltage applications

 

P/N: FU7512 P FU7512 L FU7541 Q FU7561 Q FU7571 Q
Package LQFP48
8 x 8 mm
LQFP64
10 x 10 mm
QFN48
6 x 6 mm
QFN56
7 x 7 mm
QFN64-56
9 x 9 mm
Motion Engine – ME x x x x x
Dual Motor x x x x x
FOC hardware x x x x x
PFC hardware x x x
MCU core RISC-V RISC-V RISC-V RISC-V RISC-V
System clock [MHz] 48 /24 48 /24 48 /24 48 /24 48 /24
Flash [kB] 64 64 64 64 64
SRAM [kB] 12 12 12 12 12
PRAM [kB] 4 4 4 4 4
GPIO 38 53 29 37 29
I²C 1 2 1 1 1
UART 2 2 2 2 2
SPI 1 2 2 1
CAN 1 1 1 1 1
LIN 1 1 1 1 1
BiSS 1 1 1
DMA x x x x x
Timer 9 9 9 9 9
PWM driver output 2 2 1
PreDriver 2* 3P3N 6N 2* 6N
Driver Voltage, max. [V] 28 120 120
Drive Current, max. + [A] 0,15 0,6 0,6
Drive Current, max. – [A] 0,09 0,6 0,6
Sensor/Sensorless Square Wave x x x x x
Sensor SVPWM x x x x x
Sensor FOC x x x x x
Sensorless FOC x x x x x
ADC 3 3 3 3 3
ADC resolution [bit] 12 12 12 12 12
ADC 1 channels 13 13 12 12 12
ADC 2 channels 13 14 13 12 12
ADC 3 channels 3 3 2 1 1
DAC 5 5 4 4 1
DAC resolution [bit] 9 / 8 / 6 9 / 8 / 6 9 / 6 9 / 6 9 / 6
OP 7 7 6 6 6
Comparator 8 8 7 7 7
Temp. range -40…85°C -40…85°C -40…85°C -40…85°C -40…85°C

 

Downloads

FU75xx datasheet (PDF)

Related Articles

  • FTM32ForgeIDE

    Integrated Development Environment (IDE) for Fortior’s Motor Controller with RISC-V MCU core

    FTM32ForgeIDE

    Read more
  • MCU Emulator

    USB programming and debug adapter for Fortior motor controllers with integrated MCU

    MCU Emulator

    Read more

Similar Articles

  • FU7561

    3-ph. Motor Control RISC-V MCU+ME with 6N Gate-Driver 120V, sensorless FOC

    FU7561

    Read more
  • FU7571

    3-ph. Motor Control RISC-V MCU+ME, with dual 6N Gate-Diver 120V, sensorless FOC

    FU7571

    Read more
  • Fortior FU7541Q Motor Controller with RISC-V and dual 3P3N Gatedriver 28V

    3-ph. Motor Control RISC-V MCU+ME with dual 3P3N Gate-Driver 28V, sensorless FOC

    FU7541

    Read more

Product Inquiry

Please contact us. We will get back to you as soon as possible.
Product Inquiry

Product
FU7512

I have taken note of the privacy policy. Note: You can revoke your consent at any time for the future by sending an email to info@mev-elektronik.com.

Your Contact Person

Guido Gandolfo

Product Marketing Engineer

+49(0)5424 2340-57

write email
Contact us!
Please enter one ore more search terms.
crossmenu linkedin facebook pinterest youtube rss twitter instagram facebook-blank rss-blank linkedin-blank pinterest youtube twitter instagram